热门搜索:
生产过程信息系统软件平台
智能监控平台软件
中
|
EN
首页
半岛(中国)
E-CONVERT变频器
EC7系列工程型变频器
EC5系列通用型变频器
EC3系列紧凑型变频器
智能制造
测温取样机器人
自动拆捆带机器人
冷轧钢卷贴标机器人
冷轧钢卷取样机器人
智能平台软件
工业机器人作业系统
生产过程信息系统软件平台
智能监控平台软件
大数据软件平台
电气成套设备
电气操作台箱
变频调速柜
MCC控制柜
PLC柜及DCS柜
解决方案
智能测温取样
智慧管廊解决方案
工程设计咨询
智能物流系统
智慧楼宇解决方案
钢铁有色电气工程
智慧水务解决方案
智慧园区解决方案
智慧工地解决方案
智慧交通解决方案
服务中心
技术服务
资料下载
FAQ
半岛官网平台
企业新闻
媒体报道
项目动态
加入我们
人力资源政策
招贤纳士
应聘方式
合作
关于我们
公司简介
发展历程
研发实力
企业荣誉
企业资质
企业文化
联系我们
首页
>
半岛(中国)
>案例详情
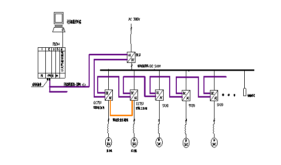
首钢京唐三冷轧脱脂机组
行 业:冶金
设 备:张力辊
功 率:重载132kW,160kW
变频器系列:EC751
控制特性:速度闭环矢量控制,直接张力控制,主从控制,Profibus-DP通讯
现场图片
系统配置
联系我们
|
友情链接
|
法律声明
鄂ICP备14006514号 版权所有©Copyright:2009-2018
. 半岛官网平台 法律声明 / 网站管理
4008608070
云博app登录入口
|
开云手机客户端中国有限公司
|
时博网页版
|
欧亿网页
|
乐竞平台
|
球友会
|
米兰网站
|
千亿官方网站
|
星空app入口站官网
|